家用电器专用微型水泵DS3901-幸运飞行艇:官方开奖结果历史

幸运飞行艇:官方开奖结果历史

欢迎您进入幸运飞行艇:官方开奖结果历史网站!
服务热线
15913807200
产品分类
家用电器专用水泵
您当前位置:微型水泵 >> 微型无刷直流水泵 >> 家用电器专用水泵 >> 浏览产品
    家用电器专用微型水泵DS3901
  • 产品分类:家用电器专用水泵
详细介绍

微型无刷直流水泵

1、含义:

无刷直流水泵使用永磁无刷直流电机的原理,在其转子上加上叶轮,在外壳结构上设计成使液体作离心运动的腔体构成,因 

没有碳刷摩擦,所以不会产生火花; 效率高、低功耗、比有刷电机寿命长、噪音低。

与电机式直流无刷水泵相比,无刷直流水泵具有以下优点:

1)泵轴由动密封变成封闭式静密封,彻底避免了介质泄漏;可以水陆两用,并且完全防水

2)无需独立润滑和冷却水,降低了能耗

3)功耗小、效率高,且具有阻尼减振作用,减少了电动机振动对泵的影响和泵发生气蚀振动时对电动机的影响

4)过载时转子会在陶瓷轴上打滑,对电机、泵有保护作用

5)无刷直流水泵采用了电子组件换向,无需使用碳刷换向,采用高性能耐磨精密陶瓷轴及石墨套,轴套通过注塑与磁铁连成整体也就避免了磨损,因

此无刷直流磁力式水 泵的寿命大大增强了。磁力隔离式水泵的定子部分和转子部分完全隔离,定子和电路板部分采用环氧树脂灌封,100%防水,转子

部分采用永磁磁铁,水泵机身采 用环保材料,噪音低,体积小,性能稳定。可以通过定子的绕线调节各种所需的参数,可以宽电压运行。

优点:寿命长,噪音低可达35dB以下,可用于热水循环。电机的定子和电路板部分采用环氧树脂灌封并与转子完全隔离,可以水下安装而且完全防

水,水泵的轴心采用高性能精密钢轴或陶瓷轴,精度高,抗震性好。


微型水泵DS3901详情


1、特点

    1)体积小,安装方便

    2)进口PPE原材料

    3)精加工石墨轴承,延长使用寿命

    4)最高工作温度75℃

    5)最低工作电压是5V,最高工作电压24V,可用USB供电

    6)可按照要求定制多种保护(堵转保护/极性反接保护/缺水保护)环氧树脂灌封,IP68防水等级

    7)高精度氧化锆陶瓷轴芯,减低震动和噪音

    8)可定制速度调节,转速信号输出,无水保护功能

2、电气性能blob.png

3、流量/扬程曲线图

blob.png

4、参数blob.png

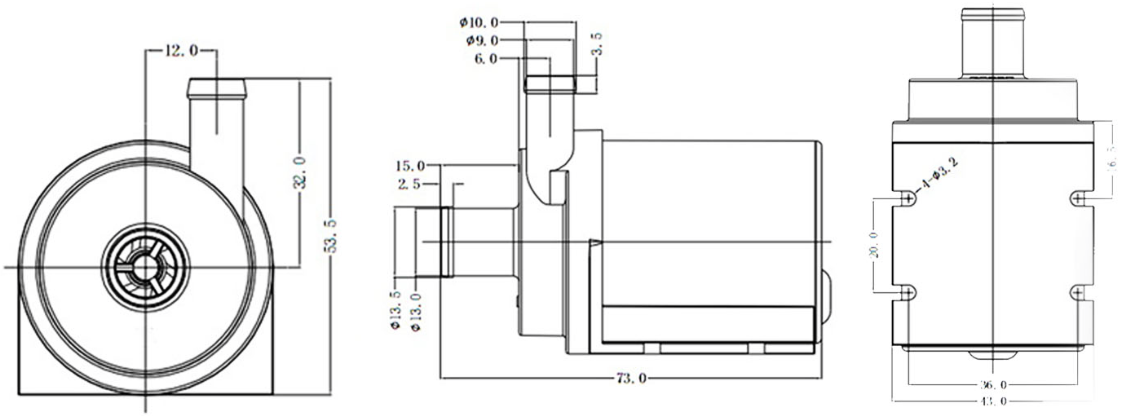
5、尺寸图

blob.png

6、应用

饮水机、咖啡机、喷泉、水族养殖、小家电应用、医疗设备、无土栽培

blob.png

7、注意事项

1) 本产品属于离心泵,必须安装于液面以下位置!

2) 严禁使用带有大于0.35mm的杂质和导磁性颗粒的液体。

3) 泵内无液体时,严禁使用!防止转子高速旋转产生高温磨损内部结构。

4) 低温环境使用时,请确保使用液体不会出现结冰或者变得很粘稠。

5) 必须预见低温冻胀的情况,防止冬季水泵内部结冰胀裂.

6) 直流无刷水泵内部间隙精确控制,严禁摔打,否则造成噪声和振动增加!

8、安装方式

blob.png

blob.png


在线客服
官方微信

手机站

客服电话
返回顶部
幸运飞行艇:官方开奖结果历史