微型食品级医疗器械水泵DS3901HF-幸运飞行艇:官方开奖结果历史
  • 幸运飞行艇:官方开奖结果历史

    欢迎您进入幸运飞行艇:官方开奖结果历史网站!
    服务热线
    15913807200
    产品分类
    微型医疗器械循环泵
    您当前位置:微型水泵 >> 微型无刷直流水泵 >> 微型医疗器械循环泵 >> 浏览产品
      微型食品级医疗器械水泵DS3901HF
    • 产品分类:微型医疗器械循环泵
    详细介绍

    微型无刷直流水泵

    1、含义:

    无刷直流水泵使用永磁无刷直流电机的原理,在其转子上加上叶轮,在外壳结构上设计成使液体作离心运动的腔体构成,因 

    没有碳刷摩擦,所以不会产生火花; 效率高、低功耗、比有刷电机寿命长、噪音低。

    与电机式直流无刷水泵相比,无刷直流水泵具有以下优点:

    1)泵轴由动密封变成封闭式静密封,彻底避免了介质泄漏;可以水陆两用,并且完全防水

    2)无需独立润滑和冷却水,降低了能耗

    3)功耗小、效率高,且具有阻尼减振作用,减少了电动机振动对泵的影响和泵发生气蚀振动时对电动机的影响

    4)过载时转子会在陶瓷轴上打滑,对电机、泵有保护作用

    5)无刷直流水泵采用了电子组件换向,无需使用碳刷换向,采用高性能耐磨精密陶瓷轴及石墨套,轴套通过注塑与磁铁连成整体也就避免了磨损,因

    此无刷直流磁力式水 泵的寿命大大增强了。磁力隔离式水泵的定子部分和转子部分完全隔离,定子和电路板部分采用环氧树脂灌封,100%防水,转子

    部分采用永磁磁铁,水泵机身采 用环保材料,噪音低,体积小,性能稳定。可以通过定子的绕线调节各种所需的参数,可以宽电压运行。

    优点:寿命长,噪音低可达35dB以下,可用于热水循环。电机的定子和电路板部分采用环氧树脂灌封并与转子完全隔离,可以水下安装而且完全防

    水,水泵的轴心采用高性能精密钢轴或陶瓷轴,精度高,抗震性好。


    食品级微型水泵DS3901HF详情


    1、特点

        1)体积小,安装方便

        2)进口PPE原材料

        3)精加工石墨轴承,延长使用寿命

        4)最高工作温度100℃

        5)最低工作电压是5V,最高工作电压24V,可用USB供电

        6)可按照要求定制多种保护(堵转保护/极性反接保护/缺水保护)环氧树脂灌封,IP68防水等级

        7)可满足高温食品级要求

        8)可定制速度调节,转速信号输出,无水保护功能

    2、电气性能blob.png

    3、流量/扬程曲线图

    blob.png

    4、参数blob.png

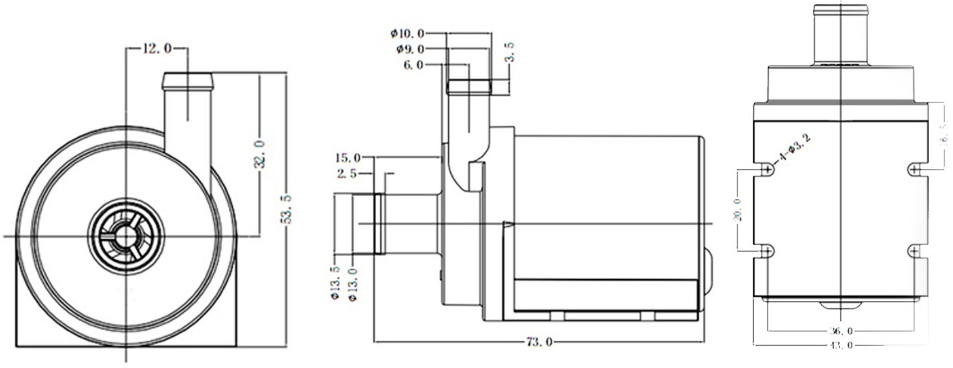
    5、尺寸图

    blob.png

    6、应用

    饮水机、咖啡机、喷泉、水族养殖、小家电应用、医疗设备、无土栽培

    blob.png

    7、注意事项

    1) 本产品属于离心泵,必须安装于液面以下位置!

    2) 严禁使用带有大于0.35mm的杂质和导磁性颗粒的液体。

    3) 泵内无液体时,严禁使用!防止转子高速旋转产生高温磨损内部结构。

    4) 低温环境使用时,请确保使用液体不会出现结冰或者变得很粘稠。

    5) 必须预见低温冻胀的情况,防止冬季水泵内部结冰胀裂.

    6) 直流无刷水泵内部间隙精确控制,严禁摔打,否则造成噪声和振动增加!

    8、安装方式

    blob.png

    blob.png


    在线客服
    官方微信

    手机站

    客服电话
    返回顶部
    幸运飞行艇:官方开奖结果历史