Miniature brushless DC pump
1, meaning:
Brushless DC pump uses the principle of permanent magnet brushless DC motor, coupled with the impeller rotor, the housing structure designed to make the liquid for centrifugal movement of the cavity composition, because
No brush friction, so no spark; high efficiency, low power consumption, brush motor longer life, low noise.
Compared with the motor DC brushless pump, brushless DC pump has the following advantages:
1) The pump shaft becomes a closed static seal from the dynamic seal, completely avoiding media leakage; it can be amphibious and fully waterproof
2) No separate lubrication and cooling water, reducing energy consumption
3) Low power consumption, high efficiency, damping and damping, reducing the influence of motor vibration on the pump and the impact on the motor when the pump cavitation vibration
4) Overload the rotor will slip on the ceramic shaft, the motor, pump protection
5) Brushless DC pump using electronic components for commutation, without the use of carbon brush commutation, the use of high-performance wear-resistant precision ceramic shaft and graphite sleeve, the sleeve through the injection molding and the magnet together as a whole will avoid wear and tear, due to
This brushless DC magnetic pump life has greatly enhanced. Magnetic isolation pump part of the stator and rotor completely isolated stator and circuit board part of the epoxy potting, 100% waterproof rotor
Part of the permanent magnet, pump body with environmentally friendly materials, low noise, small size, stable performance. Various parameters can be adjusted through the stator windings and can be operated at wide voltage.
Advantages: long life, low noise up to 35dB below, can be used for hot water circulation. The stator and circuit board parts of the motor are encapsulated with epoxy and completely isolated from the rotor for underwater installation and full protection
Water, water pump shaft with high-performance precision steel shaft or ceramic shaft, high precision, good shock resistance.
Food grade micro-pump 2504HF
1、characteristics
1) small size, easy installation
2) Import PPE raw materials
3) finishing graphite bearings, to extend the service life
4) The maximum working temperature of 100 ℃ (optional)
5) The minimum operating voltage is 3V, the maximum operating voltage of 24V, two AA batteries
6) Can be customized according to the requirements of a variety of protection (blocking protection / reverse polarity protection / water protection) Epoxy potting, IP68 waterproof rating
7) to meet the food-grade requirements
2、electrical performance

3、flow / head curve

4、parametersp
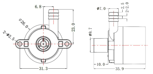
5、the size chart

6、application
Drinking fountains, coffee machines, fountains, aquaculture, small household appliances applications, medical equipment

7、matters needing attention
1) This product belongs to the centrifugal pump, must be installed in the liquid below the locations!
2) Do not use liquids with foreign particles larger than 0.35mm and magnetic particles.
3) Pump without liquid, non-use! Prevent the rotor from rotating at high speed to produce high temperature wear and tear.
4) When using in a low-temperature environment, make sure the liquid does not freeze or become viscous.
5) It is necessary to foresee low temperature frost heaving, to prevent the winter pump internal ice burst.
6) DC brushless pump precise control of internal clearance, no beat, otherwise resulting in increased noise and vibration!
8、install the pump


Website